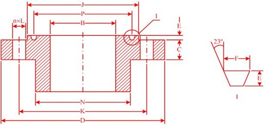
环连接面对焊钢制管法兰 PN 16.0MPa(160bar) 机械行业标准JB/T82.4-94

|
公称 通径 DN |
管子 外径 A |
连接尺寸 |
|
法 兰 厚 度 C |
法 兰 高 度 H |
法 兰 内 径 B |
劲 部 直 径 Nmax |
圆 角 半 径 R |
法兰理论 重量kg |
|
法兰 管径 D |
螺栓孔 中心圆 直径K |
螺栓孔 直径L |
螺栓、螺柱 |
d |
P |
F |
E |
rmax |
|
数量 n |
螺纹Th |
|
15 |
18 |
110 |
75 |
18 |
4 |
M16 |
52 |
35 |
9 |
6.5 |
0.8 |
24 |
50 |
11 |
40 |
4 |
1.77 |
|
20 |
25 |
130 |
90 |
23 |
4 |
M20 |
62 |
45 |
9 |
6.5 |
0.8 |
26 |
55 |
18 |
45 |
4 |
2.56 |
|
25 |
32 |
140 |
100 |
23 |
4 |
M20 |
72 |
50 |
9 |
6.5 |
0.8 |
28 |
55 |
23 |
52 |
4 |
3.26 |
|
32 |
42 |
165 |
115 |
25 |
4 |
M22 |
85 |
65 |
9 |
6.5 |
0.8 |
30 |
60 |
32 |
62 |
5 |
4.84 |
|
40 |
48 |
175 |
125 |
27 |
4 |
M24 |
92 |
75 |
9 |
6.5 |
0.8 |
32 |
65 |
37 |
74 |
5 |
5.87 |
|
50 |
60 |
215 |
165 |
25 |
8 |
M22 |
132 |
95 |
12 |
8 |
0.8 |
36 |
90 |
48 |
106 |
5 |
10.84 |
|
65 |
73 |
245 |
190 |
30 |
8 |
M27 |
152 |
110 |
12 |
8 |
0.8 |
44 |
105 |
62 |
128 |
8 |
16.67 |
|
80 |
89 |
260 |
205 |
30 |
8 |
M27 |
168 |
130 |
12 |
8 |
0.8 |
46 |
110 |
70 |
138 |
8 |
19.73 |
|
100 |
114 |
300 |
240 |
34 |
8 |
M30 |
200 |
160 |
12 |
8 |
0.8 |
48 |
120 |
90 |
170 |
8 |
28.06 |
|
125 |
146 |
355 |
285 |
41 |
8 |
M36 |
238 |
190 |
12 |
8 |
0.8 |
60 |
140 |
118 |
206 |
10 |
46.30 |
|
150 |
168 |
390 |
318 |
41 |
12 |
M36 |
270 |
205 |
14 |
10 |
0.8 |
66 |
155 |
136 |
234 |
10 |
60.45 |
|
175 |
194 |
460 |
380 |
48 |
12 |
M42 |
325 |
255 |
17 |
11 |
0.8 |
76 |
180 |
158 |
270 |
10 |
96.57 |
|
200 |
219 |
48 |
400 |
48 |
12 |
M42 |
345 |
275 |
17 |
11 |
0.8 |
78 |
185 |
178 |
298 |
10 |
109.30 |
|
225 |
245 |
545 |
450 |
54 |
12 |
M48 |
390 |
305 |
17 |
11 |
0.8 |
82 |
215 |
200 |
346 |
10 |
156.40 |
|
250 |
273 |
580 |
485 |
54 |
12 |
M48 |
425 |
330 |
17 |
11 |
0.8 |
88 |
230 |
224 |
380 |
10 |
191.60 |
|
300 |
325 |
665 |
570 |
54 |
16 |
M48 |
510 |
380 |
23 |
14 |
0.8 |
100 |
275 |
268 |
460 |
10 |
300.60 |