|
【产品名称:消防蝶阀】 【产品型号:D371X】 【产品介绍】: D371X消防蝶阀可显示出阀门开关状态,是消防供水系统截流及实现截流状态电信号监控的阀门,适用于消防系统中。 【工作原理】: D371X消防蝶阀蝶板和信号输出元件实现同步运动,消除系统累计误差影响,准确显示阀门启闭状态。阀门处于全开流量的100%~80%范围内始终输出接通(开启)信号,绿色信号灯亮,小于全开流量80%时输出关断(关闭)信号,绿色信号灯灭,红色信号灯亮。 【产品特点】: 1、本系列蝶阀适用于清洁水及消防泡沫混合液等多种介质。 2、是消防供水系统截流及实现截流状态电信号监控的阀门。 3、主要用于自动喷水灭火系统主干管及分支管上实现截流监控,能灵敏地显示水源启用状态并在控制室得到准确信号。 【产品其他参数】: ☆主要技术参数 公称通经 | 公称压力 | 工作温度 | 密封试验 | 强度试验 | 适用介质 | DN50~400mm | 1.0/1.6/2.5MPa | -10℃~-80℃ | 1.1倍公称压力 | 1.5倍公称压力 | 水、油、气 |
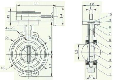
☆主要零件材料 序号 | 零件名称 | 材质 | 序号 | 零件名称 | 材质 | 1 | 阀体 | 球铁、铸钢 | 7 | 密封圈 | NBR。EPDM | 2 | 阀轴 | SUS410/SUS316 | 8 | 圆垫片 | SUS316/黄铜 | 3 | 蝶板 | 球铁喷塑、不锈钢 | 9 | 对开环 | SUS316/黄铜 | 4 | 阀座 | EPDM,PTEE | 10 | 挡圈 | 弹簧钢 | 5 | 衬套 | 青铜,聚四氟乙烯 |
|
|
|
☆主要外形连接尺寸 
DN | 50 | 65 | 80 | 100 | 125 | 150 | 200 | 250 | 300 | 350 | 400 | H | 268 | 287 | 309 | 342 | 376 | 410 | 495 | 565 | 849 | 985 | 1109 | H1 | 70 | 76 | 86 | 104 | 118 | 132 | 167 | 198 | 239 | 267 | 309 | L1 | 43 | 46 | 46 | 52 | 56 | 56 | 60 | 68 | 68 | 78 | 102 | L2 | 32 | 47 | 65 | 91 | 112 | 146 | 194 | 242 | 292 | 325 | 380 | L3 | 245 | 245 | 245 | 245 | 245 | 245 | 400 | 400 | 400 | 400 | 431 | Ф1 | 152 | 152 | 152 | 152 | 152 | 152 | 300 | 300 | 305 | 305 | 290 |
|