|
【产品名称:高压内螺纹球阀】 【产品型号:VH2V】 VH2V高压内螺纹球阀阀体材料有碳钢、不锈钢;球体材料:碳钢、黄铜、不锈钢;工作温度:-25~+100℃、-30~+170℃;密封材料:丁晴橡胶、氟橡胶;手柄形式:铝质直柄、铝质曲柄、铸锌直柄04、铸锌曲柄、钢质直柄、钢质曲柄、不带手柄;表面处理:磷化、电镀黄锌;驱动形式:手动、气动、电动。 【产品介绍】: VH2V高压内螺纹球阀与KHB高压内螺纹球阀区别在于阀体侧面多带了安装孔,便于使用单位固定安装,防止液压油的冲击,导致管路的震荡。或是与高压软管连接需要的固定位。产品适用于液压系统和化工系统的各种管路上,作启闭用。适用介质:液压油、水一乙二醇、其它混合液体。 【工作原理】: VH2V高压内螺纹球阀是靠旋转阀芯来使阀门畅通或闭塞。阀座采用弹性密封结构,启闭轻松密封可靠。阀杆采用有倒密封的下装式结构阀腔异常升压时,阀杆不会被冲击。可设置90°开关定位机构,根据需要加锁以防止误操作。 【产品特点】: 1、结构简单、体积小、重量轻。 2、流体阻力小,全通径的基本没有流阻。 3、密封性能特好,可耐高压,耐高温,耐腐蚀,抗氧化,质量可靠,使用寿命长。 一、VH2V系列直通高压球阀的图形符号

二、型号说明
 ① 系列代号:VH2V系列 ② 连接代号:M** 、G** 、 **LR 、**SR、PT**、NPT** ③ 阀体材料:1-钢、2-不锈钢 ④ 球体材料:1-钢、2-黄铜、3-不锈钢 ⑤ 工作温度:1、-25~+100℃ 2、-30~+170℃ ⑥ 其他密封:2-丁晴橡胶、4-氟橡胶 ⑦ 手柄形式:01-铝质直柄02-铝质曲柄03-铸锌直柄04-铸锌曲柄05-钢质直柄06-钢质曲柄09-不带手柄 ⑧ 设计序号:由生产商定 ⑨ 表面处理:空白-磷化、G-电镀黄锌
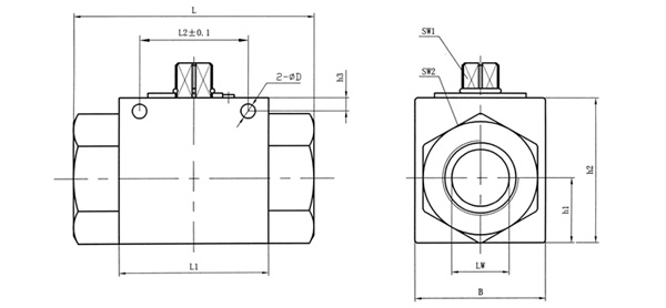
三、外形尺寸
四、尺寸表 连接口略图:

简略型号 | PN(bar) | DN | LW | RA | d1 | i | L | L1 | B | L2 | h1 | h2 | SW1 | SW2 | D | h3 | VH2V-M16×1.5 | 500 | 06 | 06 | 11 | M16×1.5 | 11 | 69 | 40 | 26 | 31.5 | 13.5 | 35 | 09 | 22 | 4.5 | 4.8 | VH2V-M27×1.5 | 500 | 10 | 10 | 20 | M27×1.5 | 12 | 76 | 42 | 32 | 31.5 | 16 | 40 | 09 | 27 | 5.3 | 5.8 | VH2V-M36×2 | 400 | 20 | 20 | 30 | M36×2 | 15 | 103 | 60 | 48 | 48.5 | 25 | 58 | 12 | 41 | 6.5 | 6 | VH2V-M42×2 | 350 | 25 | 23 | 35 | M42×2 | 18 | 116 | 65 | 57 | 50.5 | 28.5 | 65 | 12 | 50 | 8.5 | 7 |

简略型号 | PN(bar) | DN | LW | RA | d1 | i | L | L1 | B | L2 | h1 | h2 | SW1 | SW2 | D | h3 | VH2V-G1/4 | 500 | 06 | 06 | / | G1/4 | 14 | 69 | 40 | 26 | 31.5 | 13.5 | 35 | 09 | 22 | 4.5 | 4.8 | VH2V-G3/8 | 500 | 10 | 10 | / | G3/8 | 14 | 72 | 42 | 32 | 31.5 | 16 | 40 | 09 | 27 | 5.3 | 5.8 | VH2V-G1/2 | 500 | 13 | 12 | / | G1/2 | 16 | 83 | 48 | 35 | 38.5 | 18 | 45 | 09 | 30 | 6.5 | 6 | VH2V-G3/4 | 400 | 20 | 20 | / | G3/4 | 18 | 93 | 60 | 50 | 48.5 | 23 | 58 | 12 | 41 | 6.5 | 6 | VH2V-G1 | 350 | 25 | 25 | / | G1 | 21 | 115 | 65 | 57 | 50.5 | 27.5 | 65 | 12 | 46 | 8.5 | 7 |

简略型号 | PN(bar) | DN | LW | RA | d1 | i | L | L1 | B | L2 | h1 | h2 | SW1 | SW2 | D | h3 | VH2V-NPT1/4 | 500 | 06 | 06 | / | NPT1/4 | 14 | 69 | 40 | 26 | 31.5 | 13.5 | 35 | 09 | 22 | 4.5 | 4.8 | VH2V-NPT3/8 | 500 | 10 | 10 | / | NPT3/8 | 14 | 72 | 42 | 32 | 31.5 | 16 | 40 | 09 | 27 | 5.3 | 5.8 | VH2V-NPT1/2 | 500 | 13 | 12 | / | NPT1/2 | 16 | 83 | 48 | 35 | 38.5 | 18 | 45 | 09 | 30 | 6.5 | 6 | VH2V-NPT3/4 | 400 | 20 | 20 | / | NPT3/4 | 18 | 95 | 60 | 50 | 48.5 | 23 | 58 | 12 | 41 | 6.5 | 6 | VH2V-NPT1 | 350 | 25 | 23 | / | NPT1 | 21 | 113 | 65 | 57 | 50.5 | 27.5 | 65 | 12 | 46 | 8.5 | 7 |
简略型号 | PN(bar) | DN | LW | RA | d1 | i | L | L1 | B | L2 | h1 | h2 | SW1 | SW2 | D | h3 | VH2V-08LR | 500 | 06 | 06 | 08 | M14×1.5 | 10 | 67 | 40 | 26 | 31.5 | 13.5 | 35 | 09 | 22 | 4.5 | 4.8 | VH2V-12LR | 500 | 10 | 10 | 12 | M18×1.5 | 11 | 74 | 42 | 32 | 31.5 | 16 | 40 | 09 | 27 | 5.3 | 5.8 | VH2V-15LR | 500 | 13 | 12 | 15 | M22×1.5 | 12 | 82 | 48 | 35 | 38.5 | 18 | 45 | 09 | 30 | 6.5 | 6 | VH2V-18LR | 500 | 13 | 12 | 18 | M26×1.5 | 12 | 82 | 48 | 35 | 38.5 | 18 | 45 | 09 | 30 | 6.5 | 6 | VH2V-22LR | 400 | 20 | 19 | 22 | M30×2 | 14 | 101 | 60 | 50 | 48.5 | 23 | 58 | 12 | 41 | 6.5 | 6 | VH2V-28LR | 350 | 25 | 24 | 28 | M36×2 | 14 | 108 | 65 | 57 | 50.5 | 27.5 | 65 | 12 | 46 | 8.5 | 7 |
简略型号 | PN(bar) | DN | LW | RA | d1 | i | L | L1 | B | L2 | h1 | h2 | SW1 | SW2 | D | h3 | VH2V-10SR | 500 | 06 | 06 | 10 | M18×1.5 | 12 | 73 | 40 | 26 | 31.5 | 13.5 | 35 | 09 | 22 | 4.5 | 4.8 | VH2V-14SR | 500 | 10 | 10 | 14 | M22×1.5 | 14 | 80 | 42 | 32 | 31.5 | 16 | 40 | 09 | 27 | 5.3 | 5.8 | VH2V-16SR | 500 | 13 | 12 | 16 | M24×1.5 | 14 | 86 | 48 | 35 | 38.5 | 18 | 45 | 09 | 30 | 6.5 | 6 | VH2V-20SR | 500 | 13 | 12 | 20 | M30×2 | 16 | 90 | 48 | 35 | 38.5 | 18 | 45 | 09 | 30 | 6.5 | 6 | VH2V-25R | 400 | 20 | 20 | 25 | M36×2 | 18 | 109 | 60 | 50 | 48.5 | 23 | 58 | 12 | 41 | 6.5 | 6 | VH2V-30SR | 350 | 25 | 25 | 30 | M42×2 | 20 | 120 | 65 | 57 | 50.5 | 27.5 | 65 | 12 | 46 | 8.5 | 7 |
|